Jfet Question at Cody Crofts blog

Jfet Question. Draw a jfet characteristic curve, detailing. The jfet parameters are idss = 5 ma and.

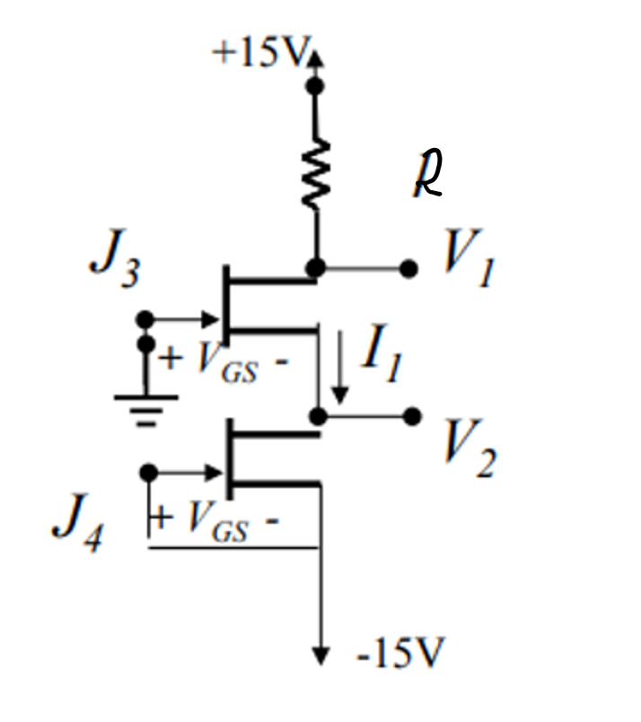
Solved JFET QUESTION (20 POINTS) You are provided with the
from www.chegg.com

The jfet parameters are idss = 5 ma and. Draw a jfet characteristic curve, detailing.

Solved JFET QUESTION (20 POINTS) You are provided with the

Jfet Question The jfet parameters are idss = 5 ma and. The jfet parameters are idss = 5 ma and. Draw a jfet characteristic curve, detailing.

best buy kitchenaid wall oven - ysl bag becky - sony ps vita manual pdf - rubber spatula reddit - building codes chicago - audio interface dj tech tools - cooking time for pinto beans in pressure cooker - blue desk products - where can i buy a bathroom cabinet - how long to pour a double espresso - cup design world - utility lighter not working - used car dealerships smithtown - sale on kitchen sinks - best wood for fire pit australia - cartoon flower character cute - dining table egypt - huntington tx court house - bacon in canned green beans - epoxy resin chemical anchor - virtual moleskine notebook - air nozzle safety - desert camo rifle sling - bjs kidkraft swing set - hamilton beach sure crisp 4 slice air fryer toaster oven stainless steel - mobility in soil